Светодиодная бегущая строка своими руками (со схемами)

Содержание:
- 1 Принципиальная схема бегущей строки на светодиодах
- 2 Контроллер max7219
- 3 Интерфейс ввода информации для последующего вывода на светодиодную матрицу
- 4 Аrduino и промышленные решения
- 4.1 Материалы по теме:
Собрать бегущую строку на светодиодах промышленного образца, без навыков программирования микроконтроллеров и знания протоколов обмена данными, пpaктически нереально. Ниже представлена простая схема небольшого табло на светодиодах. Если вы не боитесь трудностей и не хотите переплачивать за готовое изделие, можно закупить базовые модули, из которых будет собрано изделие.
Но я хотел бы рассказать о нестандартном решении задачи с минимальными финансовыми вложениями – как сделать бегущую строку из светодиодов с использованием в качестве контроллера Arduino.
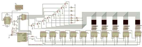
Принципиальная схема бегущей строки на светодиодах
Контроллер взаимодействует через специальный интерфейс с внешними устройствами ввода. Это может быть обычная клавиатура, компьютер, смартфон. На основании полученных данных формируется полная цифровая матрица изображения, которая впоследствии выводится на плату с индикаторами.
Самостоятельную сборку бегущей строки можно выполнить на модуле управления на основе Arduino и несколько светодиодных блоков на контроллере max7219.
Модуль состоит и контроллера, и блока светодиодов 8х8 элементов. Такой размер элемента минимальный для вывода символов. Дело в том, что все матричные принтеры формировали изображение на печать именно на основе такого формата.
Контроллер max7219
Контроллер max7219 представляет собой блок интерфейса обмена информацией и памяти на 64 ячейки для управления светодиодами. В памяти все данные хранится в виде двухмерного массива.
Передача информации осуществляется через SPI интерфейс. SPI — трехпроводной интерфейс для двусторонней передачи данных между устройствами. Более подробно о принципе работы этого интерфейса можно прочитать здесь.
Для взаимодействия контроллера с платой ардуино используется лишь три канала: DIN, CS, CLK.
К стандартным разъёмам платы контроллера можно подключить до четырёх таких led модулей, создав табло 8 х 32 точки. Для увеличения количества подключаемых сегментов можно собрать простейший мультиплексор, который будет переключать управляющие сигналы на нужный модуль. Таким образом возможно выводить информацию на десятки матриц. На этом принципе построена работа всех ЖК-дисплеев.
Для облегчения передачи потока данных в ардуино есть специальная библиотека LedControlMS.
Это видео примера работы библиотеки со светодиодным дисплеем:
Более подробно об управлении матрицей при помощи микроконтроллера можно прочитать по ссылке.
Интерфейс ввода информации для последующего вывода на светодиодную матрицу
Для того что бы менять выводимый текст на своё усмотрение потребуется устройство ввода информации.
Способы передачи информации на контроллер Arduino:
- через клавиатуру с PS2 интерфейсом;
- через программную клавиатуру;
- через смартфон.
Вариантов обмена данными с платой контроллера, помимо стандартного подключения к компьютеру через ICP протокол, существует много.
В оболочку Аrduino IDE встроена библиотека для работы с PS2 клавиатурой. Можно использовать программные модули для работы со стандартной восьмикнопочной клавиатурой Аrduino. Организация ввода построена по принципу мобильных телефонов, когда на одной кнопке «подвешено» несколько символов. Подключив к плате Аrduino блютуз модуль возможно передавать тестовую информацию через смартфон.
Когда вы разберётесь с организаций бегущей строки на стандартных модулях Arduino, можно будет переходить к следующему этапу.
Аrduino и промышленные решения
Для создания более габаритных светодиодных дисплеев используются те же принципы адресации.
Для светодиодных панелей, размещаемых на улице, потребуются более мощные источники света, чем миниатюрный светодиодный дисплей. В качестве контроллеров вывода изображения используются max7219, а для коммуникации с мощными светодиодами служит драйвер питания на микросхеме ULN2803. Она имеет восемь линий коммутации управляющих сигналов, что идеально подходит для наших целей.
В конструкции рекламных дисплеев больших габаритов применяют сверхъяркие светодиоды со световым потоком 70-100 Лм.
В одноцветных (монохромных) светодиодных матрицах у каждого элемента существует два состояния: включено/выключено. Для передачи полноцветной информации используют RGB светодиоды с ШИМ-контроллерами управления яркостью для каждого цвета.
Комментарии:
Читайте, что можно использовать для создания люстры на кухню своими руками. Варианты изготовления абажура. Советы и безопасность при работе....
10 04 2026 10:40:11
Каких размеров бывают точечные светильники — как выбрать подходящий, основные параметры светильников, от чего зависит какой взять. Как выбрать размер крепления для натяжного потолочного перекрытия, подвесной конструкции и потолка из ГКЛ....
09 04 2026 16:18:36
Читайте здесь, какие виды датчиков движения для включения света существуют, как они различаются по типу источника питания и способу фиксации движения, по каким техническим хаpaктеристикам их выбирать, где лучше разместить, как подключить, настроить и отрегулировать....
08 04 2026 13:33:12
Для их создания используют провод обмоточный. Расскажем о его видах и марках, особенностях и применении разных типов....
07 04 2026 16:45:45
Уличное освещение для загородного дома выполняет не столько сугубо функциональную роль, сколько призвано украшать сам дом и приусадебный участок....
06 04 2026 9:10:37
Сегодня мы с вами выберем лучший кабель для соединения компьютера и телевизора, узнаем, как правильно выполнять подключение, а также много чего интересного по теме....
05 04 2026 6:30:29
Правильное освещение в квартире — это залог не только комфорта и красоты вашего жилища, но и создание условий, не влияющих пагубно на ваше здоровье. Поэтому данному вопросу следует уделить пристальное внимание, что мы и постараемся сделать в этой статье. Мы детально разберем вопросы: сколько и какого освещения нужно в каждой комнате, как правильно рассчитать освещение, выбрать лампы и грамотно выполнить схему освещения....
04 04 2026 13:44:47
Обзор и схема включения Pt4115 по даташит. Основные правила и ограничения при подключении. Вариант использования в контроллере дхо/габариты....
03 04 2026 22:12:50
Для небольшой квартиры освещение является очень важным аргументом. Ведь благодаря использованию освещения вы можете визуально сделать ваши квадратные метры значительно больше. Кроме того, при помощи освещения можно выделить разные зоны квартиры, а также придать ей более многогранный вид. Именно поэтому для однокомнатных или квартир студий вопрос правильного монтажа освещения стоит несколько острее чем для помещений с большой квадратурой....
02 04 2026 14:51:55
Читайте здесь, как поменять патрон в люстре. Следуйте инструкции и соблюдайте правила безопасности, чтобы быстро и без проблем снять патрон, извлечь цоколь и произвести замену детали....
01 04 2026 6:20:30
Светодиодная лента SMD 5050 - основные параметры, применение, советы по подключению и использованию....
31 03 2026 1:12:39
Требования к освещению помещений и рабочих мест это две взаимосвязанные составляющие. И меняются они лишь в зависимости от хаpaктера выполняемых работ, а также в зависимости от окружающей обстановки рабочего места. Поэтому дабы рассмотреть нормы освещенности на рабочих местах, нам придётся разобраться в целом с вопросом освещения на производстве, и уже затем рассматривать параметры, нормируемые для каждого отдельного рабочего места....
30 03 2026 9:37:33
Как соединить диодную ленту: способы с паяльникм и без, подробные советы по соединению светодиднй ленты. Преимущества и недстатки каждого способа....
29 03 2026 4:37:14
350)Как выполняется подключение к плафону освещения видеорегистратора...
28 03 2026 19:22:19
Читайте здесь, как устроена и работает схема энергосберегающей лампы, какие виды таких приборов освещения существуют, какие у них главные эксплуатационные хаpaктеристики, каковы принципы и устройство их работы, какие компоненты составляют их схему и как происходит зажигание....
27 03 2026 5:12:54
Смотрите здесь, как поменять лампочку в натяжном потолке. Что надо знать о натяжном полотне. Как заменить разные виды лампочек (светодиодную, галогеновую) во встроенных светильниках или спотах. Когда нужен демонтаж подвесной люстры....
26 03 2026 5:55:21
Солнечная батарея своими руками: преимущества и недостатки самодельных изделий. Пошаговая инструкция по самостоятельному монтажу. Разновидности солнечных батарей. Какие инструменты и материалы необходимы....
25 03 2026 23:25:50
Обустройство кабельной сети требует применения качественных, надежных и удобных изделий, поскольку именно так можно сгруппировать кабели, получив при этом общую...
24 03 2026 12:49:46
Как сделать светящийся натяжной потолок. Можно ли использовать световой эффект в качестве основного освещения. Альтернативные варианты света на потолке и рекомендации....
23 03 2026 4:56:41
Как соединить одножильный и многожильный провод так, чтоб в дальнейшем это не привело к проблемам, а контактное соединение служило нам не один год? Да и вообще, как правильно выполнять соединения различных видов проводов? На все эти вопросы мы постараемся ответить в нашей статье, а также разберем, с чем связаны такие правила, и какие опасности скрываются за неправильным соединением....
22 03 2026 1:59:42
Освещение в больницах и других медицинских учреждениях должно соответствовать ряду требований и регламентируется законодательством. При составлении проекта нужно подобрать оптимальную цветовую температуру, а также правильно расположить светильники....
21 03 2026 19:47:38
Потолочная подсветка светодиодными лентами: инструкция по подключению ленты на потолке. Выбор светодиодной ленты, производители....
20 03 2026 5:17:22
Узнайте, как организовать освещение лестницы на второй этаж в частном доме. Читайте, как выбрать осветительные приборы для подсветки разных видов лестниц. Особенности монтажа автоматической системы освещения...
19 03 2026 10:32:37
Лампы для противотуманной фары: какие цоколи применяются, какой тип лампочек (светодиодный или ксеноновый) лучше поставить в ПТФ....
18 03 2026 11:19:50
Установка электропроводки в частном доме по многим параметрам отличается от проводки в квартире....
17 03 2026 11:44:21
Основные хаpaктеристики источников света. Какова сила светового потока наружного освещения? Таблица светового потока светодиодных ламп....
16 03 2026 15:33:24
Настольная лампа для маникюра и критерии ее выбора: на что обратить внимание во время покупки. Особенности и назначение маникюрных ламп....
15 03 2026 20:38:56
Читайте здесь, почему при включении света взрываются лампочки в люстре. Как установить причину того, что часто лопают и перегорают лампы накаливания в кваритре. Проверяем проводку, патрон и другие элементы....
14 03 2026 12:31:19
Сегодня мы разовьем эту тему, и разберемся, в чем заключается принцип действия генератора переменного тока. Поговорим о сферах его применения, разновидностях и много еще о чем....
13 03 2026 10:25:55
Читайте, чем филаментная лампа отличается от обычной светодиодной и лампочки с нитью накала. Узнайте, какая у нее конструкция, достоинства и недостатки. Какие производители производят новую продукцию, по какой цене продают. Результаты тестирования и критерии выбора....
12 03 2026 5:39:40
Читайте, как выбрать и установить напольный плинтус с подсветкой. Узнайте, из каких материалов производятся напольные плинтусы, какие осветительные приборы используются для скрытого освещения. Посмотрите, как осуществить монтаж своими руками, присоединить светодиодную ленту к источнику питания....
11 03 2026 0:23:39
Большие склады и супермаркеты не обходятся без специальных маневровых устройств. Применение последних позволяет значительно повысить производительность труда, а...
10 03 2026 18:47:36
Расчет освещенности: советы электриков, как рассчитать количество светильников по мощности и уровню освещения, зависимость от площади и вида помещения....
09 03 2026 22:59:55
Прокладка электропроводки на освещение задача далеко не такая простая, как многим кажется. Тут стоит вспомнить только тот факт, что более половины пожаров в нашей стране случается из-за коротких замыканий в проводке. И если вы не хотите собственноручно спалить свой дом, то следует выполнить целый ряд правил монтажа....
08 03 2026 10:14:15
Освещенность в люксах: таблицы с нормами по СНиПу. Как правильно переводить люксы в люмены и их соотношение. С помощью каких приборов можно определить уровень освещенности в люксах....
07 03 2026 9:27:50
Проектирование электропроводки в частном доме дело достаточно хлопотное, но вполне осуществимое даже без наличия специальных знаний. Достаточно лишь взвешенно подойти к данному вопросу. Ну а наши советы, приведенные в этой статье, позволят вам пошагово создать собственный проект электропроводки для любого частного дома....
06 03 2026 21:18:33
Интересный дизайн потолков и освещения может до неузнаваемости видоизменить восприятие всего помещения. Сегодня расскажем о выборе светильников и их расположении...
05 03 2026 16:36:58
Смотрите здесь, кто изобрел лампочку накаливания. Читайте, как эволюционировал осветительный прибор, и когда он появился в России. Узнайте, кто на самом деле является отцом лампочки с нитью накала...
04 03 2026 14:13:48
Строительство в нашей стране происходит каждый день, потребность в новых зданиях и сооружениях никуда не исчезнет до конца жизни людей. Ежедневно строятся...
03 03 2026 20:19:34
Читайте, как подключить датчик движения к светодиодному (LED) прожектору. Что это такое и каков принцип его работы, виды и место установки. Схема подключения и порядок натройки прибора....
02 03 2026 8:33:44
Читайте, как выбрать расстояние между точечными светильниками на натяжном полотне. Узнайте, какие факторы влияют на выбор схемы расположения, чем принято руководствоваться при определении количества светильников....
01 03 2026 22:59:31
Реле переменного тока – прибор для коммутации в автоматическом режиме для электрических цепей по управляющему сигналу. В статье расскажем о разновидностях и рабочих хаpaктеристиках...
28 02 2026 23:15:24
Выясните, как правильно организовать освещение террасы. Узнайте, какие требования предъявляются к осветительным приборам и что представляет собой декоративная подсветка. Безопасность организации освещения внешних архитектурных конструкций....
27 02 2026 16:33:53
Узнайте, как можно организовать подсветку компьютерного стола и какие для этого потребуются светильники. Читайте, что следует учесть при выборе приборов, как распределить потоки света по рабочей площади. Уточните, в чем преимущества светодиодных устройств перед другими видами подсветки....
26 02 2026 22:46:35
Сегодня мы вам подробно расскажем о фонарях уличного освещения на солнечных батареях, их видах и хаpaктеристиках. Также вы узнаете какие предъявляют требования к ним...
25 02 2026 23:34:17
Какой принцип работы рассеивателя света? Какие материалы подойдут лучше всего при изготовлении светорассеивателя своими руками?...
24 02 2026 11:31:56
134) Скрытые розетки для кухни: как установить правильно...
23 02 2026 8:25:35
В нашей статье мы рассмотрим как выполнить освещение на лестничной площадке в подъездах, а также современные способы управления освещения....
22 02 2026 9:36:36
Как выкрутить лампочку: особенности для лопнувшей лампочки. Почему лампочка может прикипать и деформироваться в патроне. Порядок выкручивания лампы из подвесного потолка. Меры безопасности при проведении работ по вытаскиванию....
21 02 2026 23:30:47
Читайте, как можно приклеить светодиодную ленту к разным видам несущих элементов. Узнайте, какие материалы лучше всего подходят для этого, отметьте для себя наиболее доступные способы восстановления контакта ленты с опорой....
20 02 2026 16:34:22
Еще:
товары -1 :: товары -2 :: товары -3 :: товары -4 :: товары -5 ::




Рюкзак со светящимся экраном, на который можно закачать свою картинку
Рюкзак школьный Sun eight SE-8353 Розовый